Bộ đồng bộ máy phát điện là gì ?
Bộ đồng bộ máy phát điện (còn gọi là tủ hòa đồng bộ) là một hệ thống điện tử. Được sử dụng để điều khiển và kết hợp nhiều máy phát điện hoạt động song song với nhau. Mục tiêu chính là để các máy này cùng chia sẻ tải và cung cấp nguồn điện liên tục, ổn định.
Bộ đồng bộ máy phát điện được sử dụng khi nào?
Bộ đồng bộ máy phát điện được sử dụng trong các trường hợp cần nguồn điện dự phòng lớn. Hoạt động liên tục và cần duy trì sự ổn định. Nó cho phép nhiều máy phát điện hoạt động cùng lúc để đáp ứng nhu cầu tải điện.
Nhu cầu điện vượt quá công suất một máy phát
Khi hệ thống điện cần một lượng công suất lớn mà một máy phát điện duy nhất không thể đáp ứng. Bộ đồng bộ sẽ giúp kết nối hai hoặc nhiều máy phát điện lại với nhau. Điều này giúp tăng tổng công suất, đồng thời phân chia tải đều giữa các máy. Giúp máy phát điện tránh được tình trạng quá tải và hư hỏng.
Yêu cầu nguồn điện liên tục 24/7
Tại các địa điểm như bệnh viện, sân bay, trung tâm dữ liệu hoặc các khu công nghiệp. Việc mất điện dù chỉ trong vài giây cũng có thể gây ra hậu quả nghiêm trọng. Bộ đồng bộ giúp đảm bảo nguồn điện luôn có sẵn bằng cách hòa đồng bộ máy phát điện với điện lưới.
Khi lưới điện gặp sự cố : Hệ thống sẽ tự động khởi động máy phát điện. Sau đó chuyển tải sang máy phát điện một cách liền mạch, không gây gián đoạn.
Hòa đồng bộ nhiều máy phát điện: Nếu một máy gặp sự cố, các máy còn lại sẽ tự động điều chỉnh. Để tiếp tục cung cấp điện, đảm bảo hệ thống không bị ngắt.
Tối ưu hóa hiệu suất và tiết kiệm nhiên liệu
Tại các cơ sở có nhu cầu điện thay đổi thường xuyên, bộ đồng bộ giúp tối ưu hóa chi phí. Thay vì sử dụng một máy phát điện công suất lớn hoạt động ở chế độ không tải. Hệ thống sẽ chỉ vận hành số lượng máy phát điện cần thiết để đáp ứng tải thực tế. Khi tải tăng, máy phát điện khác sẽ tự động khởi động và hòa vào hệ thống.

Chức năng của tủ đồng bộ máy phát điện
Tăng công suất hệ thống
Chức năng chính của bộ đồng bộ là cho phép hai hoặc nhiều máy phát điện hoạt động song song. Khi nhu cầu tải điện tăng cao vượt quá công suất của một máy. Bộ đồng bộ sẽ tự động khởi động máy phát thứ hai, hòa vào lưới điện. Và phân chia tải đều giữa các máy phát điện hoạt động cùng nhau. Điều này giúp hệ thống đáp ứng được các nhu cầu điện lớn. Mà không cần phải đầu tư vào một máy phát điện công suất quá cao, gây lãng phí.
Đảm bảo nguồn điện liên tục
Trong các ứng dụng yêu cầu nguồn điện không gián đoạn, bộ đồng bộ đóng vai trò then chốt. Nếu một máy phát điện gặp sự cố, bộ đồng bộ sẽ tự động ngắt kết nối máy đó khỏi lưới. Rồi điều chỉnh tải cho các máy còn lại, đảm bảo hệ thống vẫn tiếp tục hoạt động. Hơn nữa, nó còn giúp luân phiên vận hành các máy. Cho phép bảo trì từng máy mà không làm gián đoạn việc cung cấp điện.
Tối ưu chi phí và tiết kiệm nhiên liệu
Bộ đồng bộ giúp hệ thống hoạt động hiệu quả hơn. Bằng cách tự động điều chỉnh số lượng máy phát điện hoạt động tùy theo mức tải thực tế. Khi tải thấp, chỉ một máy phát điện sẽ hoạt động ở công suất tối ưu. Khi tải tăng, máy thứ hai sẽ được khởi động. Điều này tránh tình trạng các máy phát điện công suất lớn chạy ở chế độ không tải. Gây lãng phí nhiên liệu và tăng hao mòn. Việc phân chia tải đều còn giúp giảm áp lực lên từng máy phát điện. Góp phần kéo dài tuổi thọ và giảm chi phí bảo trì.
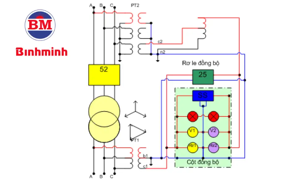
Cấu tạo cơ bản của tủ đồng bộ máy phát điện
Bảng điều khiển trung tâm
Đây là “bộ não” của hệ thống, bao gồm:
Bộ điều khiển đồng bộ : Là thành phần quan trọng nhất, có chức năng đo lường và so sánh các thông số điện. Sau đó, nó sẽ tự động điều chỉnh tốc độ và điện áp của các máy. Để đảm bảo các điều kiện hòa đồng bộ được thỏa mãn.
Màn hình hiển thị : Hiển thị các thông số hoạt động của từng máy phát. Thông báo trạng thái của hệ thống và các cảnh báo lỗi.
Các thiết bị đo lường và bảo vệ
Máy biến dòng và máy biến áp: Các thiết bị này được lắp đặt ở đầu ra của mỗi máy phát điện. Có chức năng đo lường chính xác các thông số điện áp và dòng điện. Sau đó gửi tín hiệu về bộ điều khiển.
Bộ bảo vệ : Có chức năng bảo vệ hệ thống khỏi các sự cố như quá tải, ngắn mạch, tần số bất thường. Khi phát hiện lỗi, bộ bảo vệ sẽ gửi tín hiệu để ngắt kết nối máy phát khỏi hệ thống.
Thiết bị đóng cắt và phân phối điện
Máy cắt điện : Đây là các công tắc tự động được điều khiển bởi bộ đồng bộ. Máy cắt điện sẽ đóng khi các điều kiện hòa đồng bộ đã được đáp ứng. Và ngắt khi có sự cố hoặc khi một máy phát cần được dừng hoạt động.
Thanh cái : Là các thanh kim loại dùng để kết nối đầu ra của tất cả các máy phát điện và phân phối điện đến các tải tiêu thụ.

Nguyên lí hoạt động hoà đồng bộ máy phát điện
Kiểm tra điều kiện đồng bộ
Trước khi kết nối các máy phát điện với nhau hoặc với lưới điện. Bộ đồng bộ phải kiểm tra và đảm bảo ba điều kiện chính được thỏa mãn:
- Điện áp bằng nhau: Điện áp đầu ra của các máy phát phải xấp xỉ bằng nhau. Sự chênh lệch cho phép thường nhỏ hơn 5%.
- Tần số bằng nhau: Tần số của các máy phát phải xấp xỉ bằng nhau. Sự chênh lệch cho phép thường nhỏ hơn 0,5 Hz.
- Góc pha bằng nhau: Góc lệch pha giữa các máy phát phải bằng 0.
Điều chỉnh thông số
Nếu các điều kiện trên chưa được đáp ứng, bộ đồng bộ sẽ tự động điều chỉnh các thông số của máy phát điện.
Điều chỉnh tần số: Bộ điều khiển sẽ gửi tín hiệu đến bộ điều tốc của động cơ máy phát. Để tăng hoặc giảm tốc độ quay, từ đó điều chỉnh tần số của dòng điện đầu ra.
Điều chỉnh điện áp: Bộ điều khiển sẽ gửi tín hiệu đến bộ điều chỉnh điện áp tự động (AVR) của máy phát. Nhằm mục đích tăng hoặc giảm điện áp kích từ, từ đó thay đổi điện áp đầu ra.
Đóng máy cắt và chia sẻ tải
Khi cả ba điều kiện đồng bộ đã được thỏa mãn. Bộ đồng bộ sẽ tự động điều khiển máy cắt để kết nối máy phát điện vào hệ thống. Sau khi kết nối thành công, bộ đồng bộ sẽ tiếp tục điều chỉnh công suất của từng máy. Rồi phân chia tải một cách cân bằng và hiệu quả nhất.

Công ty TNHH Thiết bị công nghệ Bình Minh
Bình Minh Group được thành lập vào tháng 10 năm 2007 với hoạt động kinh doanh chính là nhập khẩu, sản xuất và phân phối máy phát điện công nghiệp. Chúng tôi tự hào là một đối tác của công ty Mitsubishi Heavy Industries Engine System Asia Pte Ltd, nhà sản xuất và phân phối máy phát điện Mitsubishi chính hãng trên toàn thế giới.
Với gần 20 năm kinh nghiệm trong ngành cung cấp nguồn điện dự phòng, chúng tôi đã phát triển một hệ thống chi nhánh, đại lý và trung tâm bảo hành trải dài khắp 3 miền Bắc, Trung, Nam, có mặt ở khắp 34 tỉnh thành nhằm đem đến sự hỗ trợ và phục vụ khách hàng chu đáo nhất.
Hotline tư vấn và đặt hàng : 0964 160 888
Email: contact@gensetpower.vn
Website: gensetpower.vn
